Navštívte nás v predajniach v BRATISLAVE alebo v BANSKEJ BYSTRICI čaká na vás viac ako 20 000 položiek skladom.
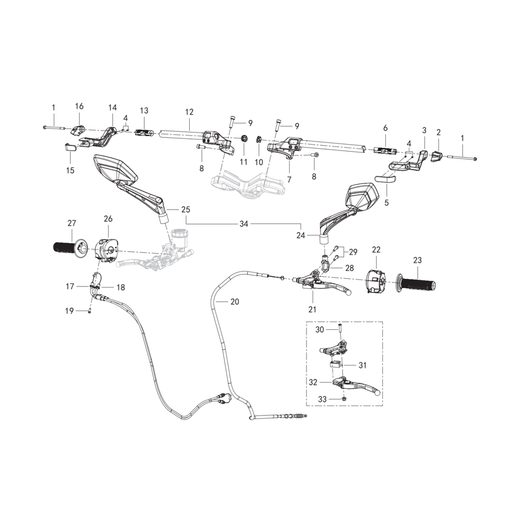
| NO. | CODE | DESCRIPTION | KS |
Without VAT Cena bez DPH |
|
| 1 | 08017PE30001 | INTERNAL HEXAGONAL FLOWER SHAPED CONCAVE HEXAGONAL FLANGE BOLT M6 ×115 | 2 | 1,30 | |
| 2 | 40031PE30000 | LEFT BALANCE BLOCK | 1 | 6,30 | |
| 3 | 43047PE3BG00 | FRONT LEFT TURN SIGNAL BRACKET,BLACK BG | 1 | 7,20 | |
| 4 | B0201030062H | CROSS GROOVE COUNTERSUNK HEAD SCREW M3×6 | 4 | 0,10 | |
| 5 | 81100PE30000 | LEFT TURN SIGNAL | 1 | 34,00 | |
| 6 | 40060PE30000 | LEFT HANDLE EXPANSION BLOCK COMPONENT | 1 | 7,60 | |
| 7 | 40110PE30000 | TURN THE COMPONENT TO THE LEFT | 1 | 35,80 | |
| 8 | B0226080206S | HEXAGONAL FLOWER SHAPED CYLINDRICAL HEAD SCREW M8×20 | 2 | 0,40 | |
| 9 | B0226080306S | HEXAGONAL FLOWER SHAPED CYLINDRICAL HEAD SCREW M8×30 | 2 | 0,40 | |
| 10 | 40047PE30000 | DIRECTIONAL RUBBER PLUG | 1 | 0,40 | |
| 11 | 40048PE30000 | TURN THE RUBBER PLUG TO THE RIGHT | 1 | 0,30 | |
| 12 | 40120PE30000 | TURN THE COMPONENT TO THE RIGHT | 1 | 35,80 | |
| 13 | 40050PE30000 | RIGHT HANDLE EXPANSION BLOCK COMPONENT | 1 | 7,60 | |
| 14 | 43048PE3BG00 | FRONT RIGHT TURN SIGNAL BRACKET,BLACK BG | 1 | 7,20 | |
| 15 | 81300PE30000 | RIGHT TURN SIGNAL | 1 | 34,00 | |
| 16 | 40041PE30000 | RIGHT BALANCE BLOCK | 1 | 6,30 | |
| 17 | 40300PE30000 | THROTTLE LINE COMPONENT I | 1 | 8,10 | |
| 18 | 40330PE30000 | THROTTLE LINE COMPONENT II | 1 | 8,10 | |
| 19 | B0207050126S | HEXAGONAL FLOWER SHAPED PAN HEAD SCREW M5×12 | 1 | 0,20 | |
| 20 | 40400PE30000 | CLUTCH LINE COMPONENT | 1 | 10,30 | |
| 21 | 40080PE3001Z | LEFT HANDLE COMPONENT | 1 | 17,80 | |
| 22 | 40500P31000A | LEFT COMBINATION SWITCH | 1 | 59,00 | |
| 23 | 40001PE30000 | LEFT HANDLE SET | 1 | 2,30 | |
| 24 | 40450N510003 | LEFT REARVIEW MIRROR ASSEMBLY | 1 | 15,70 | |
| 25 | 40480N510003 | RIGHT REARVIEW MIRROR ASSEMBLY | 1 | 15,70 | |
| 26 | 40600P31000A | RIGHT COMBINATION SWITCH | 1 | 45,60 | |
| 27 | 40210PE30000 | RIGHT HANDLE SET COMPONENT | 1 | 2,70 | |
| 28 | 45023P250000 | HANDLE FIXED COVER | 1 | 1,20 | |
| 29 | B0226060256S | HEXAGONAL FLOWER SHAPED CYLINDRICAL HEAD SCREW M6×25 | 2 | 0,20 | |
| 30 | 40083P250000 | LEFT HANDLE SEAT SCREW | 1 | 0,20 | |
| 31 | 91090P250000 | CLUTCH SWITCH COMPONENT | 1 | 2,50 | |
| 32 | 41080PBS0000 | CLUTCH HANDLE ASSEMBLY | 1 | 14,30 | |
| 33 | B04170600055 | SELF LOCKING NUT M6 | 1 | 0,20 | |
| 34 | 40440N510003 | REARVIEW MIRROR ASSEMBLY | 1 | 31,30 |