Navštívte nás v predajniach v BRATISLAVE alebo v BANSKEJ BYSTRICI čaká na vás viac ako 20 000 položiek skladom.

Náš kód: P273695

Novinka

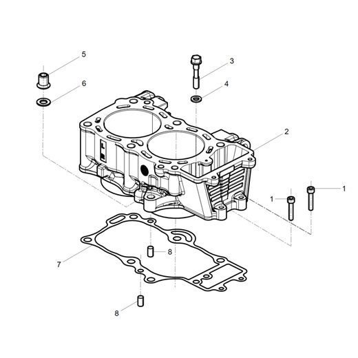
CYLINDER ASSY

0,01 € Vrátane DPH
0,01 € Bez DPH
Na centrálnom sklade
+ -
(ks)

Porovnať

Zaradené v kategóriách:     DRAGSTER 700

CYLINDER ASSY
0,01 €
+ -

Popis a parametre

NO. CODE DESCRIPTION QTY REMARKS

Without VAT

Cena bez DPH

1 160316030030 SCREW M6×30 2   0,50
2 13903660NB01 CYLINDER 1   295,80
3 130016600000 BOLT M8×43 1   0,30
4 100054460000 SPACER 1   0,10
5 130046600000 NUT 1   0,80
6 120096090000 SPACER 10.5×19.8×2 1   0,10
7 139026600000 CYLINDER BLOCK GASKET 1   5,00
8 B090108014B0 PIN 8×14 2   0,50

 

Náš kód: P273695
0 produktů k porovnání PorovnávanieZobraziť porovnanie