Navštívte nás v predajniach v BRATISLAVE alebo v BANSKEJ BYSTRICI čaká na vás viac ako 20 000 položiek skladom.

Náš kód: P266806

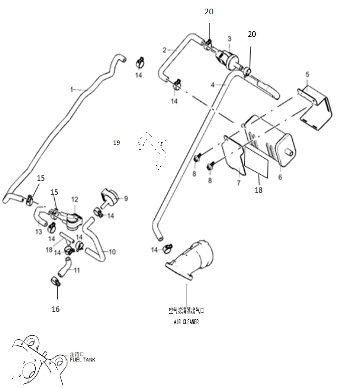
FUEL EVAPORATIVE SYSTEM

0,01 € Vrátane DPH
0,01 € Bez DPH
Na centrálnom sklade
+ -
(ks)

Porovnať

Zaradené v kategóriách:     DRAGSTER 125     DRAGSTER 200

FUEL EVAPORATIVE SYSTEM
0,01 €
+ -

Popis a parametre

NO. PART NO. DESCRIPTION QTY. REMARKS Without VAT
          Cena bez DPH
1 44431-N1600 CONNECTING PIPE (FUEL CUT-OFF VALVE+CANISTER) 1   2.80
2 44436-N1600 HOSE II,CANISTER SOLENOID VALVE 1   2.00
3 33960-N1400 CANISTER SOLENOID VALVE 1   36.00
4 44435-N1600 HOSE I,CANISTER SOLENOID VALVE 1   3.00
5 18579-N1600 CARBON CANISTER REAR BRACKET 1   2.20
6 18569-G1L00 CARBON CANISTER 1   14.00
7 18569-N1600 CARBON CANISTER FRONT BRACKET 1   2.00
8 AP8152277 SCREW FHE M6x12 2   0.20
9 44240-09G10-Z0101 ONE-WAY VALVE ASSEMBLY 1   5.50
10 44433-N1600 CONNECTING PIPE (TRIPLET+FUEL SHUT-OFF VALVE) 1   1.30
11 44434-N1600 CONNECTING PIPE (TRIPLET+FUEL SHUT-OFF VALVE) 1   0.40
12 18591-G1L00 FUEL SHUT OFF VALVE 1   3.50
13 44432-N1600 CONNECTING PIPE (ONE-WAY VALVE +TRIPLET) 1   0.60
14 09401-09403 PIPE CLIP 7   0.30
15 09404-N1400   CLAMP 2 ø8.3 0.90
16 09401-92000 CLIP 1 ø11.6 0.30
17 33652-36100 BATTERY PROTECTION PAD 1   0.10
18 09367-06002 TRILET LINKS  1   0.20
19 33971-N1600 BRACKET,CANISTER SOLENOID VALVE 1   1.20
20 09401-10409 CLIP 2   2.00

 

Náš kód: P266806
0 produktů k porovnání PorovnávanieZobraziť porovnanie