Navštívte nás v predajniach v BRATISLAVE alebo v BANSKEJ BYSTRICI čaká na vás viac ako 20 000 položiek skladom.

Náš kód: P273666

Novinka

MUFFLER ASSY.

0,01 € Vrátane DPH
0,01 € Bez DPH
Na centrálnom sklade
+ -
(ks)

Porovnať

Zaradené v kategóriách:     DRAGSTER 700

MUFFLER ASSY.
0,01 €
+ -

Popis a parametre

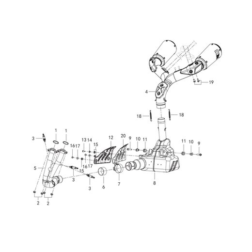
NO. CODE DESCRIPTION QTY REMARKS

Without VAT

Cena bez DPH

1 47050P090000 EXHAUST SEALING RING COMPONENT 2   1,20
2 B0407080005H HEXAGONAL FLANGE NUT M8 4   0,10
3 28002TAB0002 OXYGEN SENSOR 3   58,10
4 48200PE301JZ CYLINDER COMPONENT II 1   100,00
5 47500PE30000 EXHAUST PIPE COMPONENTS 1   314,90
6 47035PE30000 GRAPHITE LINING RING 1   2,20
7 47830PE30000 CLAMP Φ74 1   7,80
8 47200PE30000 CYLINDER COMPONENT I 1   705,30
9 08014P620004 INTERNAL HEXAGONAL FLOWER SHAPED CONCAVE HEXAGONAL FLANGE BOLT M8×30 2   0,40
10 47039PC20001 BUSHING 2   1,30
11 48617PC20000 RUBBER SLEEVE 2   0,60
12 47761PE30000 DECORATIVE COVER I 1   6,20
13 08002P620009 HEXAGONAL FLOWER SHAPED FLANGE SCREW M6×16 1   0,20
14 47131P600000 BUSHING 1   0,50
15 47028P600000 RUBBER SLEEVE 3   0,60
16 08002P620000 HEXAGONAL FLOWER SHAPED FLANGE SCREW M6×8 2   0,20
17 B0702000060H GASKET 6 2   0,20
18 47790PDX0000 SPRING COMPONENT 2   1,40
19 08014P620002 INTERNAL HEXAGONAL FLOWER SHAPED CONCAVE HEXAGONAL FLANGE BOLT M8×16 2   0,30
20 47042PE30000 INSULATING FOIL PAPER I 1   2,00

 

Náš kód: P273666
0 produktů k porovnání PorovnávanieZobraziť porovnanie