Navštívte nás v predajniach v BRATISLAVE alebo v BANSKEJ BYSTRICI čaká na vás viac ako 20 000 položiek skladom.

Náš kód: P264196

CVT

0,01 € Vrátane DPH
0,01 € Bez DPH
Na centrálnom sklade
+ -
(ks)

Porovnať

Zaradené v kategóriách:     DRAGSTER 300

CVT
0,01 €
+ -

Popis a parametre

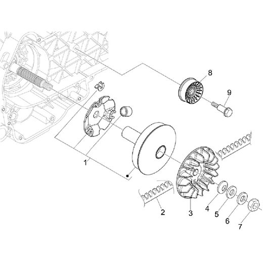
NO. PART No. DESCRIPTION QTY REMARKS

Without VAT

Cena bez DPH

1 100714467-0001 Rollar Container Ass. 1   62.00
2 100071734 Drive Belt 1   209.00
3 100071751 Fixed Driving Half Pulley 1   20.00
4 100072640 Dish Washer φ12.5×4.5×φ34 1   1.20
5 100072641 Washer φ12.1×2×φ36_RoHS 1   0.80
6 100106441 Washer,φ17×1×φ32 1   0.20
7 100100518-0001 Lock Nut Clutch M12×1.25 1   1.20
8 1000765398 Dump Pulley With I.P. 1   11.00
9 1000774577-0001 Screw 1   0.80

 

Náš kód: P264196
0 produktů k porovnání PorovnávanieZobraziť porovnanie