Navštívte nás v predajniach v BRATISLAVE alebo v BANSKEJ BYSTRICI čaká na vás viac ako 20 000 položiek skladom.

DRAGSTER 300

Zobraziť filtrovanie Podľa katalógu Najlacnejšie Najdrahšie Najnovšie
| 1 2 3|

DASHBOARD

DASHBOARD

0.01 € 3 - 5 dní

NO. PART NO. DESCRIPTION QTY. REMARKS Without VAT           Cena bez DPH 1…

INJECTION UNIT

INJECTION UNIT

0.01 € 3 - 5 dní

+ -

Porovnať
NO. PART NO. DESCRIPTION QTY. REMARKS Without VAT           Cena bez DPH 1…

HEADLIGHT/FRONT TURN INDICATOR

HEADLIGHT/FRONT TURN INDICATOR

0.01 € Na centrálnom sklade

+ -

Porovnať
NO. PART NO. DESCRIPTION QTY. REMARKS Without VAT           Cena bez DPH 1…

TAILLIGHT/REAR TURN INDICATOR

TAILLIGHT/REAR TURN INDICATOR

0.01 € Na centrálnom sklade

+ -

Porovnať
NO. PART NO. DESCRIPTION QTY. REMARKS Without VAT           Cena bez DPH 1…

ELECTRICAL COMPONENTS I

ELECTRICAL COMPONENTS I

0.01 € Na centrálnom sklade

+ -

Porovnať
NO. PART NO. DESCRIPTION QTY. REMARKS Without VAT           Cena bez DPH 1…

ELECTRICAL COMPONENTS II

ELECTRICAL COMPONENTS II

0.01 € Na centrálnom sklade

+ -

Porovnať
NO. PART NO. DESCRIPTION QTY. REMARKS Without VAT           Cena bez DPH 1…

LOCK ASSY

LOCK ASSY

0.01 € Na centrálnom sklade

+ -

Porovnať
NO. PART NO. DESCRIPTION QTY. REMARKS Without VAT           Cena bez DPH 2…

FRAME

FRAME

0.01 € Na centrálnom sklade

+ -

Porovnať
NO. PART NO. DESCRIPTION QTY. REMARKS                          Without VAT    …

REAR SHOCK ABSORBER

REAR SHOCK ABSORBER

0.01 € Na centrálnom sklade

+ -

Porovnať
NO. PART NO. DESCRIPTION QTY. REMARKS Without VAT           Cena bez DPH 1…

REAR ARMREST

REAR ARMREST

0.01 € Na centrálnom sklade

+ -

Porovnať
NO. PART NO. DESCRIPTION QTY. REMARKS Without VAT           Cena bez DPH 1…

REAR,MUDGUARD

REAR,MUDGUARD

0.01 € Na centrálnom sklade

+ -

Porovnať
NO. PART NO. DESCRIPTION QTY. REMARKS Without VAT           Cena bez DPH 1…

SIDE REFLECTOR/ REAR REFLECTOR

SIDE REFLECTOR/ REAR REFLECTOR

0.01 € Na centrálnom sklade

+ -

Porovnať
NO. PART NO. DESCRIPTION QTY. REMARKS Without VAT           Cena bez DPH 1…

MAIN STAND

MAIN STAND

0.01 € Na centrálnom sklade

+ -

Porovnať
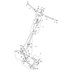
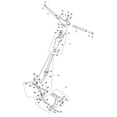
NO. PART NO. DESCRIPTION QTY. REMARKS Without VAT           Cena bez DPH 1…

STEERING MECHANISM I

STEERING MECHANISM I

0.01 € Na centrálnom sklade

+ -

Porovnať
NO. PART NO. DESCRIPTION QTY. REMARKS Without VAT           Cena bez DPH 1…

STEERING MECHANISM II

STEERING MECHANISM II

0.01 € Na centrálnom sklade

+ -

Porovnať
NO. PART NO. DESCRIPTION QTY. REMARKS Without VAT           Cena bez DPH 34…

STEERING KNUCKLE

STEERING KNUCKLE

0.01 € Na centrálnom sklade

+ -

Porovnať
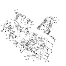
  NO. PART NO. DESCRIPTION QTY. REMARKS Without VAT           Cena bez DPH 6…

FRONT SUSPENSION

FRONT SUSPENSION

0.01 € Na centrálnom sklade

+ -

Porovnať
NO. PART NO. DESCRIPTION QTY. REMARKS Without VAT           Cena bez DPH 1…

ENGINE INSTALLATION

ENGINE INSTALLATION

0.01 € Na centrálnom sklade

+ -

Porovnať
NO. PART NO. DESCRIPTION QTY. REMARKS Without VAT           Cena bez DPH 1…

REAR SUSPENSION

REAR SUSPENSION

0.01 € Na centrálnom sklade

+ -

Porovnať
NO. PART NO. DESCRIPTION QTY. REMARKS Without VAT           Cena bez DPH 1…

FRONT BODY-FRONT PANEL

FRONT BODY-FRONT PANEL

0.01 € Na centrálnom sklade

+ -

Porovnať
NO. PART NO. DESCRIPTION QTY. REMARKS Without VAT           Cena bez DPH 1-1…

FRONT BODY-SHINGUARD COVER

FRONT BODY-SHINGUARD COVER

0.01 € Na centrálnom sklade

+ -

Porovnať
NO. PART NO. DESCRIPTION QTY. REMARKS Without VAT           Cena bez DPH 1-1…


0 produktů k porovnání PorovnávanieZobraziť porovnanie