Navštívte nás v predajniach v BRATISLAVE alebo v BANSKEJ BYSTRICI čaká na vás viac ako 20 000 položiek skladom.

Náš kód: P264203

WATER PUMP

0,01 € Vrátane DPH
0,01 € Bez DPH
Na centrálnom sklade
+ -
(ks)

Porovnať

Zaradené v kategóriách:     DRAGSTER 300

WATER PUMP
0,01 €
+ -

Popis a parametre

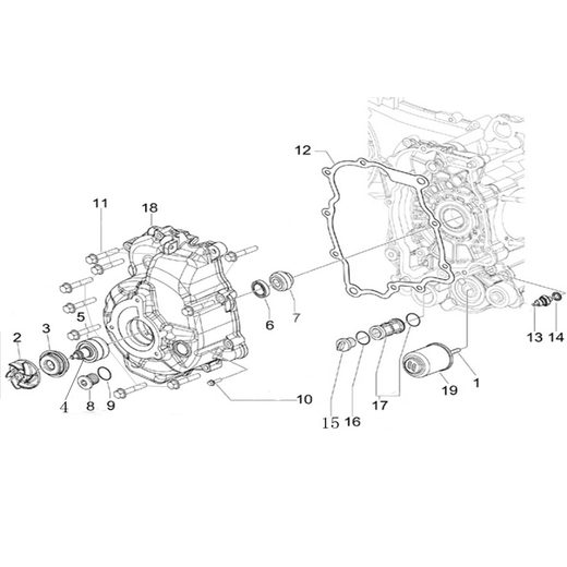
NO. PART No. DESCRIPTION QTY REMARKS

Without VAT

Cena bez DPH

1 100071685-0001 Screw 1   3.40
2 100071667 Ane Wheel Water Pump 1   3.00
3 100105547 Mechanism Seal Assy 1   9.20
4 100071669 Shaft Water Pump Shaft 1   22.00
5 100300742 Bearing,(6382Rs1) 2   3.70
6 100104808 Oil Seal 1   3.20
7 100071668 Coupling Entrainer 1   6.40
8 100103061 Cap Small View Hole 1   0.80
9 100107679 O-Ring,φ15.4×2.1 1   0.40
10 100072796-0002 Bolt,M6×112.5 1   0.40
11 100033116-0005 Bolt,M6×35 9   0.10
12 100071674 R.Crankcase Cover Gasket 1   3.00
13 100103051-0001 Oil Pressure Sensor 1   9.80
14 100053725 Plain Washer,φ10×1.5×φ17 1   0.00
15 100303196-0001 Cover Oil Filter Screen 1   4.30
16 100107755 O-Ring,φ31.47×1.78 1   0.30
17 100071686 Strainer Oil Filter 1   5.10
18 100071670-0002 Right Crankcase Cover 1   41.90
19 100717770 Oil Filter 1   7.00

 

Náš kód: P264203
0 produktů k porovnání PorovnávanieZobraziť porovnanie